卓上でのラベル貼り付けをサポート
EJ-120M 剥離機
シール・ラベルの剥離搬送を自動化することにより、作業効率が一段と良くなります。
※紙管ボスはオプションになります。

Device introduction video
機器紹介動画
Outline of the Product
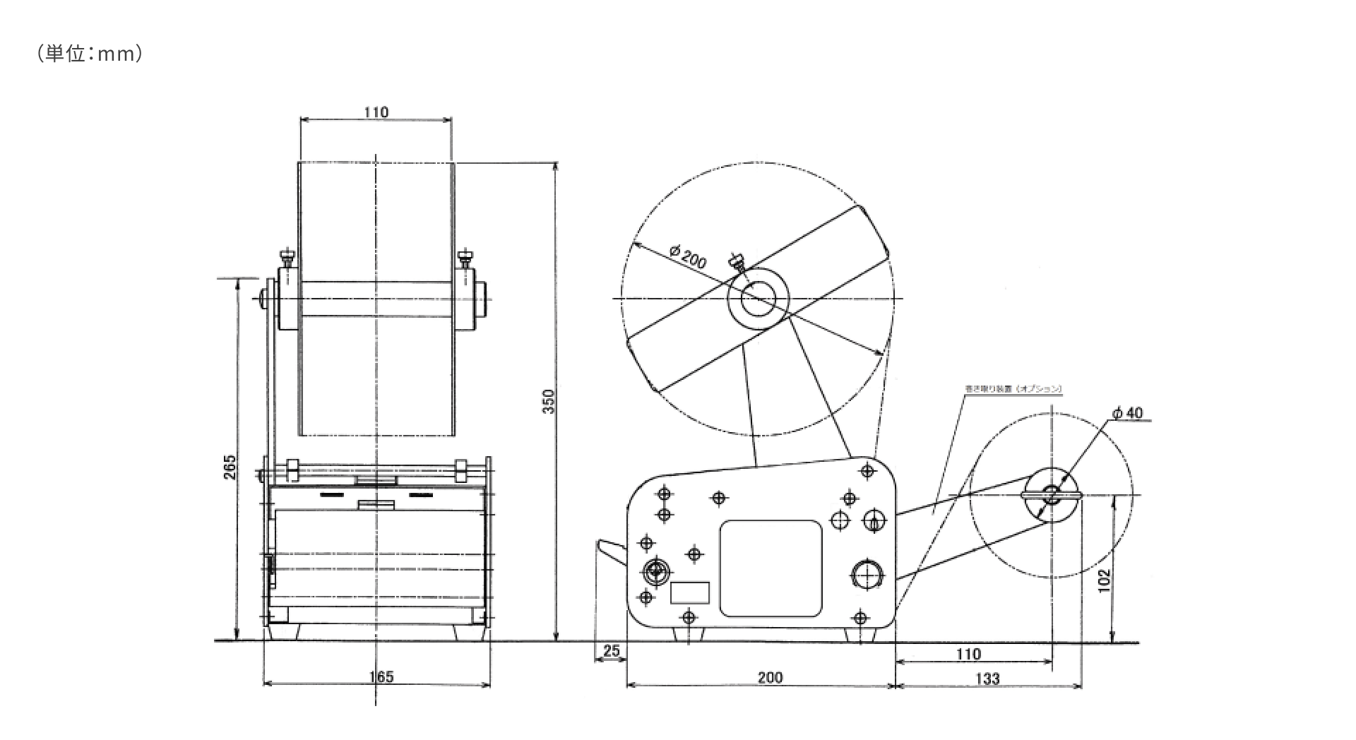
外形寸法図

Specification
仕様
- 型式
- EJ-120M 剥離機
- 処理能力
- 50枚/分(ラベル送り30mm時)
- 外形寸法
- 165(幅)×333(奥行)×265(高さ)mm
- 質量
- 約5.0kg
- 電源・消費電力
- AC100V±10% 50/60Hz・最大35W
Label specification
ラベル仕様
- 台紙幅
- 30mm~110mm
- ラベル長
- 10mm~100mm
- ラベル間隔
- 3mm以上
- ロール外径
- ø200mm(ミラーコート紙K8NS7にて180m巻き)
- 紙管内径
- ø25.4mm~76.2mm
Option list
オプション一覧
ø75mm紙管ボス
トータルカウンタ
プリセットカウンタ

